Low Voltage
4
Gender
Standard
Socket / Receptacle
Socket / Receptacle - Fixed Panel Rear Mounted
Locking system
Ratchet
Size
0M

Electrical Configuration

Contact Termination Low voltage
PCB - Straight
R (max)
6.1 mOhm
Insert configuration value
0M.304 - 4 Low Voltage
Insulator
L: PEEK
Rated current
7 Amps
Test voltage (kV rms) Contact-contact
1.35
Test voltage (kV rms) Contact-shell
0.9
Contact Type
Print (straight)
Contact Dia.
0.7 mm (0.028in)
Low Voltage
4
Gender
Standard

Form & Material

Shell style / Model id
HE - Fixed receptacle, nut fixing for printed circuit, watertight
Socket / Receptacle
Fixed Panel Rear Mounted
Housing material
Aluminium (nickel plated [SAE AMS QQ N 290], anthracite color) shell and nut, other pieces bronze/brass
Locking system
Ratchet
Keying
3 keys (beta=150, gamma=60, plug: male contacts, receptacle: female contacts)
Variant
Watertight unmated (connector to device)
Weight
7.72 g

Environment

Technical domain
Motorsport, Security and Defence, Transportation, Aerospace and UAV
Environmental protection (IP rating)
IP68
Minimal temperature
-20°C / +80°C
EMI Shielding EIA 364-66A
>= 80 dB (1 GHz), >=70 dB (3 GHz), >= 58 dB (6 GHz), >= 40 dB (10 GHz)
Gunfire vibration
25 Hz - 2000 Hz, 3 axis (Apache helicopter)
Humidity (max)
21 days at 95%
Lighting strike EIA 364-76
10K amps - 6 times
Shock Resistance
300 g [ 3 ms]
Vibration-Random
37.8 g rms - 3 axes, 4 hr amb [50 Hz - 2000 Hz]
Vibration-Sine
30 g, 3 axes, 12 hr [10 Hz - 2000 Hz]
Salt Spray Corrosion
max. 48 hr

Technical plans

https://web.lemo.com/img/Illustrations/m/types/0m_304_f.gif
https://web.lemo.com/img/Illustrations/m/models/hen_0m_304_xlnp.gif
https://web.lemo.com/img/Illustrations/m/keys/p.gif

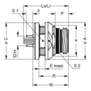
Dimensions

A C e E H Ls Lr N P R S1 S2
mm. 17 16.8 M13x0.75 5 5.08 20.8 21 16.8 5.3 13.8 11.5 14
in. 0.67 0.66 0.2 0.2 0.82 0.83 0.66 0.21 0.54 0.45 0.55
icon pdf
M series catalog
icon pdf
Solutions Selection Guide
icon pdf
Product brief - High-speed data transfer
icon pdf
Product brief - M series High Power
icon pdf
Product brief - M series Multi coax solution
Other documents
M - Rugged Ratchet coupling
M - Rugged Ratchet coupling
Harsh environments (IP68)
Ratchet coupling, strong resistance to shocks and vibrations
Stealth Anthracite coating
Light & compact construction
Robust Multi-Keying system with color coding
Main Features
Harsh environments (IP68)
Ratchet coupling, strong resistance to shocks and vibrations
Stealth Anthracite coating
Light & compact construction
Robust Multi-Keying system with color coding
Cable Assembly UK
Cable assembly service

Receive the same high quality cable assemblies that you've come to expect from LEMO push-pull connectors.

Discover
Contact us
t Contact-us-1576x512.jpgt

Do you
have a 
challenging 
project?

No matter how harsh the environment may be, LEMO has a solution ready for you to implement today.

If not, we promise to relentlessly innovate and develop one for you. 
Please take a moment to reach out and describe your project, technical specifications and deadlines. We are standing by and looking forward to hearing from you - and adding your business to our thousands of longstanding satisfied customers, partners and employees - very soon.